ДомойСтатьиЖурналыСхемыСправочникСсылки
  4А-32
 - головка динамическая широкополосная 

[Акустические головки и системы]

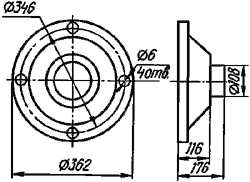
Габаритные размеры головки 4А-32
    Назначение - применение в открытых акустических системах звуковых колонок для работы в помещениях и на открытом воздухе.
    Головка громкоговорителя электродинамического типа, широкополосная, круглая, с неэкранированной магнитной цепью.
    Диффузородержатель изготовлен штамповкой из стали. Диффузор - из бумажной массы с пропиткой.
    Центрирующая шайба изготовлена из ткани с пропиткой.


Технические характеристики
Эффективный рабочий диапазон частот, Гц
70...16000
Неравномерность АЧХ, дБ
10
Среднее стандартное звуковое давление, Па
0,4
Номинальная мощность, Вт
12
Номинальное электрическое сопротивление, Ом
16
Частота основного резонанса, Гц
40±5
Индукция в рабочем зазоре, Вб/м²
1,1
Габаритные размеры, мм
d 362x176
Масса, г
6000



Источник: Бурко, "Бытовые акустические системы", 1996 г.
Прислал: Константин

ДомойСтатьиЖурналыСхемыСправочникСсылки
AK Laboratory, 2000г.