ДомойСтатьиЖурналыСхемыСправочникСсылки
  4А-30
 - головка динамическая широкополосная 

[Акустические головки и системы]

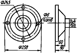
Габаритные размеры головки 4А-30
    Назначение - применение в открытых акустических системах звуковых колонок для работы в помещениях и на открытом воздухе.
    Головка громкоговорителя электродинамического типа, широкополосная, круглая, с неэкранированной магнитной цепью.
    Диффузородержатель изготовлен штамповкой из стали. Диффузор - из бумажной массы с пропиткой.
    Центрирующая шайба изготовлена из ткани с пропиткой.


Технические характеристики
Эффективный рабочий диапазон частот, Гц
70...14000
Неравномерность АЧХ, дБ
10
Среднее стандартное звуковое давление, Па
0,3
Номинальная мощность, Вт
6
Номинальное электрическое сопротивление, Ом
8
Частота основного резонанса, Гц
70±10
Индукция в рабочем зазоре, Вб/м²
0,7
Габаритные размеры, мм
d 258x90
Масса, г
4000



Источник: Бурко, "Бытовые акустические системы", 1996 г.
Прислал: Константин

ДомойСтатьиЖурналыСхемыСправочникСсылки
AK Laboratory, 2000г.