ДомойСтатьиЖурналыСхемыСправочникСсылки
 № 4 ,  2000

 Audio High-End

[Содержание номера] [Cодержание года] [Архив] [Статьи]
Транзисторный усилитель мощности низкой частоты без ООС

Алексей Зызюк, г.Луцк

В последнее время конструкторы усилителей мощности низкой частоты всё чаще обращаются к ламповой схемотехнике, которая позволяет при сравнительной простоте конструкции достигать хорошего звучания. Но не следует полностью "списывать" транзисторы, поскольку при определенных обстоятельствах транзисторный УМЗЧ все-таки способен работать довольно неплохо, а часто и лучше ламп... Автору этой статьи довелось перепробовать большое количество УМЗЧ. Один из таких наиболее удачных "биполярных" вариантов и предлагается на суд читателей. В основе идеи хорошей работы лежит условие симметричности обоих плеч УМЗЧ. Когда обе полуволны усиливаемого сигнала претерпевают подобные преобразовательные процессы, можно ожидать удовлетворительной работы УМЗЧ в качественном отношении.

Еще в недалеком прошлом непременным и достаточным условием хорошей работы любого УМЗЧ считалось обязательным введение глубоких ООС. Бытовало мнение о невозможности создания высококачественных УМЗЧ без глубоких общих ООС. К тому же авторы конструкций убедительно уверяли, что, мол, нет необходимости в подборе транзисторов для работы их в парах (плечах), ООС все скомпенсирует и разброс транзисторов по параметрам на качество звуковоспроизведения не влияет!

Эпоха УМЗЧ, собранных на транзисторах одной проводимости, например, популярных КТ808. предполагала включение выходных транзисторов УМЗЧ уже неравноправно, когда один транзистор выходного каскада был включен по схеме с ОЭ, второй же - с ОК. Такое асимметричное включение не способствовало качественному усилению сигнала. С приходом КТ818, КТ819, КТ816. КТ817 и др., казалось бы, проблема линейности УМЗЧ решена. Но перечисленные комплементарные пары транзисторов "по жизни" слишком далеки от истинной комплементарности.

Не будем углубляться в проблемы некомплементарности вышеперечисленных транзисторов, которые весьма широко используются в различных УМЗЧ. Следует лишь подчеркнуть тот факт. что при равных условиях (режимах) этих транзисторов обеспечить их комплементарную работу в двухтактных усилительных каскадах достаточно сложно. Хорошо об этом сказано в книге Н.Е.Сухова [1].

Я вовсе не отрицаю возможность достижения хороших результатов при создании УМЗЧ на комплементарных транзисторах. Для этого нужен современный подход в схемотехнике таких УМЗЧ, с обязательным тщательным подбором транзисторов для работы в парах (ключах). Доводилось мне конструировать и такие УМЗЧ, которые являются своеобразными продолжениями высококачественного УМЗЧ Н.Е.Сухова [2], но о них - как нибудь в другой раз. Касаясь симметричности УМЗЧ, как главного условия хорошей его работы - следует сказать следующее. Оказалось, что более высокими качественными параметрами обладает УМЗЧ, собранный по действительно симметричной схеме и непременно на транзисторах одинакового типаобязательной подборкой экземпляров). Подбирать же транзисторы намного легче, если они из одной партии. Обычно экземпляры транзисторов из одной партии имеют довольно близкие параметры против "случайно" приобретенных экземпляров. Из опыта можно сказать, что из 20 шт. транзисторов (стандартное количество одной пачки) почти всегда можно отобрать две пары транзисторов для стереокомплекса УМЗЧ. Были случаи и более "удачного улова" - по четыре пары из 20 штук. О подборе транзисторов расскажу несколько позже.

Принципиальная схема УМЗЧ изображена на рис.1. Как видно из схемы, она довольно простая. Симметричность обоих плеч усилителя обеспечена симметричностью включений транзисторов. Рис.1 - Схема усилителя мощности без ООС Известно, что дифференциальный каскад обладает многими преимуществами перед обычными двухтактными схемами. Не углубляясь в теорию, следует подчеркнуть, что в данной схеме заложено правильное "токовое" управление биполярными транзисторами. Транзисторы дифференциального каскада обладают повышенным выходным сопротивлением (намного большим традиционной "раскачки" по схеме с ОК), поэтому их можно рассматривать как генераторы тока (источники тока). Таким образом реализуется токовый принцип управления выходными транзисторами УМЗЧ. Очень точно сказано о влиянии согласования по сопротивлениям между транзисторными каскадами на уровень нелинейных искажений в [3]: "Известно, что нелинейность входной характеристики транзистора Iб=f(Uбэ) в наибольшей степени проявляется тогда, когда усилительный каскад работает от генератора напряжения, т.е. выходное сопротивление предыдущего каскада меньше входного сопротивления последующего. В этом случае выходной сигнал транзистора - ток коллектора или эмиттера - аппроксимируется экспоненциальной функцией напряжения база эмиттер Uбэ, а коэффициент гармоник порядка 1% достигается при величине этого напряжения, равном всего 1 мВ (!). Это объясняет причины возникновения искажений во многих транзисторных УМЗЧ. Очень жаль. что этому факту практически никто не уделяет должного внимания. Что уж там, транзисторы "умирают" в УМЗЧ (как динозавры?!), словно нет никакого выхода из сложившихся обстоятельств, кроме как применения ламповых схем...

Но прежде чем приступить к намотке трудоемкого выходного трансформатора, стоит все-таки повозиться и с симметричной транзисторной схемой УМЗЧ. Забегая вперед, скажу еще о том, что по аналогичной схемотехнике были собраны и УМЗЧ на полевых транзисторах, об этом поговорим как-нибудь в другой раз.

Еще одна особенность схемы рис.1 - это повышенное (по сравнению с традиционными УМЗЧ) количество источников питания. Не следует этого бояться, поскольку емкости фильтрующих конденсаторов попросту разделяются на два канала в равной степени. А разделение источников питания в каналах УМЗЧ лишь улучшают параметры стереокомплекса в целом. Напряжения источников E1 и E2 не стабилизированы, а в качестве EЗ необходимо использовать стабилизатор напряжения (40 вольт).

Говоря о теоретических проблемах двухтактных схем и транзисторных УМЗЧ вообще, необходимо проанализировать еще один каскад (или несколько таковых каскадов) - фазоинвертор. Продолжительные эксперименты подтверждают факт существенного ухудшения качества звуковоспроизведения из-за этих каскадов. Собрав совершенно симметричную схему, да еще и с кропотливо подобранными деталями, приходится столкнуться с проблемой схем фазоинверторов. Было установлено, что эти каскады способны вносить очень большие искажения (различие формы синусоиды для полуволн можно было наблюдать на экране осциллографа даже без использования каких-либо дополнительных схем). Сказанное в полной мере относится и к простым схемам ламповых вариантов усилителей-фазоинверторов. Вы подбираете номиналы в схеме с тем, чтобы получить равенство амплитуд обеих полуволн (синусоиды) противофазного сигнала по высококлассному цифровому вольтметру, а субъективная экспертиза требует (на слух !) поворота движков подстроечных резисторов в сторону от этого "приборного" способа регулировки уровней.

Всматриваясь в форму синусоиды на экране осциллографа, удается увидеть "интересные" искажения - на одном выходе фазоинвертора они шире (по оси частот), на другом - "тоньше", т.е. площадь фигуры синусоид различна для прямого и фазоинверсного сигналов. Слух это четко улавливает, приходится "разрегулировать" настройку. Выравнивать же синусоиду в фазоинверсных каскадах глубокими ООС крайне нежелательно. Устранять нужно причины асимметрии в этих каскадах другими схемотехническими путями, в противном случае фазоинверсный каскад может вносить весьма заметные на слух "транзисторные" искажения, уровень которых будет сопоставим с искажениями выходного каскада УМЗЧ (!). Вот так и случается, что фазоинвертор является основным узлом асимметрии для любых двухтактных УМЗЧ (будь-то транзисторных, ламповых или комбинированных схем УМЗЧ), если, конечно же, усилительные элементы в плечах заранее отобраны с близкими параметрами, иначе нет смысла вообще ожидать от таких схем хорошего звучания.

Из самых простых в реализации фазоинверсных схем, которые хорошо работают, являются ламповые варианты. Более простыми их "аналогами" являются полевые транзисторы, которые (только !) при грамотном схемотехническом подходе вполне способны конкурировать с ламповыми усилителями. И если уж аудиофилы не боятся применения согласующих трансформаторов в выходных каскадах, где это "железо" все равно "звучит", то уж и в предыдущих каскадах можно со спокойной совестью применять трансформаторы. Я имею в виду фазоинверсные каскады, где амплитуда тока (а именно эта составляющая пагубно влияет на "железо") невелика, а амплитуда напряжения достигает значения всего лишь в несколько вольт.

Бесспорно, что любой трансформатор - это своеобразный шаг назад в схемотехническом отношении в век гигагерцовых Pentium'ов. Но есть несколько "но", о которых весьма уместно иногда вспомнить. Первое - грамотно изготовленный переходной или согласующий трансформатор никогда не внесет столько нелинейных искажений, сколько могут внести самых разнообразных искажений несколько "неправильных" усилительных каскадов. Второе - трансформаторный фазоинвертор действительно позволяет достигнуть реальной симметрии противофазных сигналов, сигналы с его обмоток по-настоящему близки друг к другу как по форме, так и по амплитуде. К тому же он - пассивный, и его характеристики не зависят от питающих напряжений. И если ваш УМЗЧ реально симметричен (в данном случае имеются в виду его входные импедансы), то асимметрия УМЗЧ будет уже определяться более разбросом параметров радиокомпонентов в плечах УМЗЧ, чем фазоинверсным каскадом. Поэтому не рекомендуется использовать в таком УМЗЧ радиоэлементы с допусками более 5% (исключения лишь составляют цепи генератора тока, питающего дифференциальный каскад). Следует отдавать себе отчет, что при разбросах параметров транзисторов в плечах УМЗЧ более 20% точность резисторов уже теряет свою актуальность. И наоборот, когда используются хорошо подобранные транзисторы, имеет смысл применять резисторы с допуском 1%. Их конечно же, можно и подобрать с помощью хорошего цифрового омметра.

Одна из наиболее удачных схемотехнических разработок фазоинвертора представлена на рис.2. Кажущаяся слишком простой, она все же требует пристального внимания к себе, поскольку имеет несколько "секретов". Первый из таких - это правильный выбор Рис.2 - Рекомендуемая схема фазоинвертора транзисторов по параметрам. Транзисторы VT1 и VT2 не должны иметь значительных утечек между электродами (имеется в виду переходы затвор-исток). Кроме того, транзисторы должны иметь близкие параметры, особенно это касается начального тока стока - сюда наиболее подходят экземпляры с Iс.нач. 30-70 мА. Напряжения питания должны быть стабилизированы, правда коэффициент стабилизации блока питания существенной роли не играет, к тому же, отрицательное напряжение можно взять и со стабилизатора УМЗЧ. Чтобы электролитические конденсаторы поменьше вносили своих искажений, они зашунтированы неэлектролитическими - типа К73-17.

Немного подробнее рассмотрим особенности изготовления главного узла в этой схеме - фазорасщепительного (фазоинверсного) трансформатора. От аккуратности его изготовления зависит как индуктивность рассеяния, так и диапазон эффективно воспроизводимых частот, не говоря уже об уровне различных искажений. Так вот, два основных секрета технологического процесса изготовления этого трансформатора таковы. Первое - необходимость отказаться от простой намотки обмоток. Привожу два использованных мною варианта намотки этого трансформатора. Первый - изображен на рис.3, второй - на рис.4. Суть метода такой намотки заключается в следующем. Каждая из обмоток (I, II или III) состоит из нескольких обмоток, содержащих строго одинаковое количество витков. Необходимо избегать какой бы то ни было ошибки в количестве витков, т.е. разницы в витках между обмотками. Поэтому решено было производить намотку трансформатора давно проверенным способом. По рис.3 используется шесть проводов (например, ПЭЛШО-0,25). Заранее рассчитывают необходимую длину обмоточного Рис.3 и 4 - Варианты фазоинверсных трансформаторов провода (не всегда же и не у каждого радиолюбителя окажется под рукой шесть бухт провода одного диаметра), складывают шесть проводов вместе и производят намотку всех обмоток одновременно. Далее необходимо лишь найти отводы нужных обмоток и соединить их попарно-последовательно. По рис.4 использовалось девять проводников для этого варианта. И еще, мотать необходимо так, чтобы провода одного витка не расходились в разные стороны далеко-широко один от другого, а держались общего рулона вместе. Мотать же отдельными проводами недопустимо, трансформатор будет буквально "звенеть" во всем диапазоне звуковых частот, индуктивность рассеяния увеличится, возрастут и искажения УМЗЧ из-за асимметрии сигналов на выходах трансформатора.

Да и ошибиться очень легко можно при отдельных способах намотки симметричных обмоток. А ошибка в несколько витков дает о себе знать несимметричностью противофазных сигналов. Если уж продолжать откровенно, то был изготовлен трансформатор фазоинвертора (в единственном роде, экземпляре) в ... 15 жил. Был эксперимент, который вошел в коллекцию прекрасно звучащих конструкций УМЗЧ. Еще раз хочется сказать о том, что не трансформаторы виноваты в плохой работе некоторых схем, а их конструкторы. Во всем мире весьма расширилось производство ламповых УМЗЧ, их подавляющее большинство содержит разделительные трансформаторы (вернее, согласующие), без которых ламповый каскад (типовая схема двухтактного выходного каскада содержит 2-4 лампы) просто невозможно согласовать с низкоомными акустическими системами. Есть, конечно же, и экземпляры "суперламповых" УМЗЧ, где нет выходных трансформаторов. Их место заняли либо мощные комплементарные пары полевых транзисторов или ... батарея мощных ламповых триодов, соединенных параллельно. Но эта тема уже выходит за рамки данной статьи. В нашем случае все гораздо проще. Транзистор VT1 (рис.2) МОП-типа, включенный по схеме с общим стоком (истоковый повторитель) работает на генератор тока (источник тока), выполненный на транзисторе VT2. Применять мощные полевые транзисторы типа КП904 не следует, у них повышенные входные и проходные емкости, что не может не сказаться на работе этого каскада.

Еще один камень преткновения, серьезная проблема в создании широкополосного трансформатора ожидает конструктора при выборе магнитопровода. Здесь уместно кое-что добавить к тому, что можно встретить в доступной радиолюбителю литературе. Различные варианты конструкций как у радиолюбителей, так и у профессионалов предлагают использование разных материалов магнитопроводов трансформаторов, которые не доставляли бы хлопот как при их приобретении, так и при их использовании. Суть методов такова.

Если ваш УМЗЧ будет работать на частотах выше 1 кГц, то можно смело использовать ферритовые сердечники. Но отдавать предпочтение следует экземплярам магнитопроводов с наибольшей магнитной проницаемостью, очень хорошо работают сердечники от строчных трансформаторов телевизоров. Следует предостеречь конструкторов от использования сердечников, которые уже находились длительное время в эксплуатации. Известно, что ферритовые изделия теряют с "возрастом" свои параметры, в том числе и начальную магнитную проницаемость, "неповторимая" старость их убивает не меньше, чем, например, магниты длительно эксплуатируемых громкоговорителей, о чем почему-то почти все умалчивают.

Далее о сердечниках - если УМЗЧ используют в качестве басового варианта, то смело можно применять традиционные Ш-образные пластинчатые варианты магнитопроводов. Необходимо подчеркнуть, что экранировка всех таких трансформаторов почти везде была необходимостью и потребностью. Что уж тут поделаешь, за все необходимо расплачиваться. Обычно было достаточным изготовление "кокона" из обычной кровельной жести толщиной 0,5 мм.

На НЧ хорошо работают и тороидальные сердечники. Кстати, их использование упрощает уничтожение всевозможных наводок со стороны сетевых трансформаторов. Здесь сохраняется "обратимость" преимущества тороидального сердечника - в сетевом варианте он отличается малым внешним полем излучения, во входных же (сигнальных) цепях - он малочувствителен к внешним полям. Что же касается широкополосного варианта (20 - 20 000 Гц), то наиболее правильным будет применение двух разных видов сердечников, размещенных рядом, в одном окне каркаса для намотки обмоток трансформатора. При этом устраняется завал как на высоких частотах (здесь работает ферритовый сердечник), так и на низких частотах (здесь работает трансформаторная сталь). Дополнительного улучшения звуковоспроизведения в области 1-15 кГц добиваются покрытием пластин стального сердечника лаком, как это делают в ламповых УМЗЧ. При этом каждая пластина "работает индивидуально" в составе сердечника, чем и достигается уменьшение всевозможных потерь на вихревые токи. Нитролак высыхает быстро, тонким слоем его наносят простым окунанием пластины в посуду с лаком.

Многим может показаться слишком кропотливой такая технология изготовления трансформатора в фазоинверторе, но поверьте на слово - "игра стоит свеч", ибо "что посеешь, то и пожнешь". А насчет сложности, "нетехнологичности" можно сказать следующее - за один выходной день удавалось без спешки изготовить два таких трансформатора, да и распаять их обмотки в необходимом порядке, что не скажешь о выходных трансформаторах для ламповых УМЗЧ.

Теперь несколько слов о количестве витков. Теория требует увеличения индуктивности первичной обмотки (I), с ее увеличением расширяется диапазон воспроизводимых частот в сторону более низких частот. Во всех конструкциях вполне достаточной была намотка обмоток до заполнения каркаса, диаметр провода применялся 0,1 - для 15 жил, 0,15 - для 9 жил и 0,2 для 6-жильного варианта. В последнем случае использовался и имеющийся ПЭЛШО 0,25.

Для тех же. кто не переносит трансформаторы :-), есть и бестрансформаторный вариант - рис.5. Это простейший. но вполне звучащий вариант схемы фазоинверторного каскада, который использовался не только в симметричных схемах УМЗЧ, но и в мощных мостовых УМЗЧ. Простота зачастую обманчива, поэтому ограничу себя в Рис.5 - Вариант фазоинверсного каскада без трансформатора критике подобных схем, но осмелюсь сказать, что площади синусоид отсимметрировать довольно сложно, зачастую необходимо вводить дополнительные цепи смещения и балансировок, а качество звуковоспроизведения при этом оставляет желать лучшего. Несмотря на вносимые трансформаторами фазовые, амплитудно-частотные искажения, они позволяют достигнуть практически линейной АЧХ в области звуковых частот, т.е. во всем диапазоне 20 Гц - 20 000 Гц. От 16 кГц и выше могут сказаться емкости обмоток, но частично уйти в сторону от этой проблемы позволяет дополнительно увеличенная площадь сечения магнитопровода. Правило простое, подобное сетевым трансформаторам: увеличив площадь сечения магнитопровода сердечника трансформатора, например, в два раза. смело уменьшают количество витков обмоток в два раза и т.д.

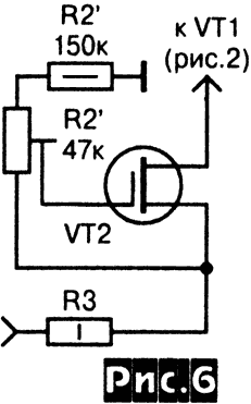
Расширить область эффективно воспроизводимых частот вниз, т.е. ниже 20 Гц, можно следующим способом. Полевые транзисторы (VT1, VT2 - рис.2) применяют с большими значениями Iс.нач. и увеличивают емкость конденсатора C4 до 4700 мкф. Электролитические конденсаторы работают значительно чище, если к ним приложено прямое поляризующее напряжение в несколько вольт. Очень удобно в этом случае поступать следующим образом. Устанавливают в верхний (по схеме) транзистор VT1 экземпляр с начальным током стока большим, нежели у транзистора VT2. Можно поступить и еще более "эффективно", применив балансировочный резистор для транзистора VT2, фрагмент схемы с таким резистором показан на рис.6. Первоначально движок подстроечного резистора R2' находится в нижнем (по схеме) положении, перемещение его движка Рис.6 - Введение балансировочного резистора вверх вызывает увеличение тока стока транзистора VT2, потенциал на положительной обкладке конденсатора C4 становится более отрицательным. Обратный процесс происходит при противоположном перемещении движка резистора R2. Таким образом можно отрегулировать каскад по наиболее подходящим режимам, особенно, когда нет транзисторов (VT1 и VT2) с близкими значениями Iс.нач., а устанавливать приходится то, что есть под рукой...

Довольно подробно я остановился на такой как будто бы очень простой схеме. Она-то простая, но не примитивная. Есть у нее и неоспоримые преимущества по сравнению с "всепропускающими" гальванически соединенными схемами усилителей-фазоинверторов. Первый такой плюс - это подавление инфранизкочастотных помех (например в ЭПУ), второй же - "отсечка" ультразвуковых помех вроде мощных радиостанций, различных ультразвуковых установок и др. И еще одно положительное свойство такой схемы следует подчеркнуть особо. Речь идет об отсутствии каких-либо проблем при стыковке отличных симметричных схем с асимметричным входом. Стоит взглянуть на рис.5, и сразу становится понятно (если человек имел с этим дело!), что проблема потенциалов здесь просто не решена никак. Частично ее решают заменой электролитического конденсатора на батарею параллельно соединенных неэлектролитических, мол временная задержка подключения АС все решит. Задержка во времени подключения акустических систем к УМЗЧ щелчки и выбросы при включении действительно устраняет, но вопрос возникновения дополнительных искажений изза разных потенциалов и разных выходных импедансов фазоинвертора решить она никак не может. Данная схема усилителя-фазоинвертора (рис.2) успешно использовалась с различными УМЗЧ, в том числе и с ламповыми симметричными.

В последнее время в периодических изданиях можно найти схемы УМЗЧ на мощных КП901 и КП904. Но не упоминают авторы о том, что полевые транзисторы следует отбраковывать на токах "утечки". Если, к примеру, VT1 и VT2 (в схеме рис.2) однозначно необходимо использовать высококачественные экземпляры, то в каскадах с большими амплитудами напряжений и токов, а главное - там, где входное сопротивление МОП транзистора (его уменьшение) роли не играет, можно применять и худшие экземпляры. Достигнув максимальных значений утечек, МОП транзисторы, как правило, стабильны в будущем и дальнейшего ухудшения их параметров уже не наблюдается со временем (в большинстве случаев).

Число транзисторов с повышенными утечками в цепи затвора, например, в одной пачке (стандарт - 50 шт.) может колебаться от 10 до 20 шт. (а то и более). Отбраковать мощные транзисторы не составляет большого труда - достаточно собрать своеобразный стенд, например, по рис.6 и включить в цепь затворов цифровой амперметр (стрелочные приборы в этом случае слишком чувствительны к перегрузкам и неудобны из-за необходимости многократных переключений с диапазона на диапазон).

Отличными следует считать экземпляры МОП транзисторов (речь идет применительно к схеме рис.2 - VT1, VT2), у которых ток затвора менее 10 мкА, лучшие экземпляры вообще не обнаруживают этого тока (на пределе 100 мкА).

А теперь, когда фазоинвертор уже изготовлен, можно приступать и к схеме рис.1, т.е. вернуться непосредственно к УМЗЧ. Широко распространенные разъемы (гнезда) СШ-3, СШ-5 и им подобные вообще использовать нельзя, как это делают многие конструкторы и делали заводы-изготовители. Контактное сопротивление такого соединения значительно (0,01 - 0,1 Ом!) и еще колеблется в зависимости от протекающего тока (с увеличением тока сопротивление растет!). Поэтому следует применять мощные разъемы (например, от старой военной радиоаппаратуры) с малым сопротивлением контактов. То же касается и контактов реле в блоке защиты АС от возможного появления на выходе УМЗЧ постоянного напряжения. И не надо их охватывать (контактные группы) какими-либо обратными связями для уменьшения искажений. Поверьте на слово, что на слух (субъективная экспертиза) их практически не слышно (при достаточно малых сопротивлениях контактов), чего не скажешь об "электронных" искажениях, вносимых всеми усилительными каскадами, конденсаторами и другими компонентами УМЗЧ, которые непременно вносят яркие краски в общую картину звуковоспроизведения. Свести к минимуму всевозможные искажения можно рациональным использованием усилительных каскадов (особенно это касается усилителей напряжения - чем их меньше, тем лучше качество усиленного сигнала). В данном УМЗЧ всего один каскад усиления напряжения - это транзистор VT3 (левое плечо) и VT4 (правое плечо). Каскад на транзисторах VT6 и VT5 всего лишь согласующие (токовые) эмиттерные повторители. Транзисторы VT3 и VT4 отбирают с h21э более 50, VT6 и VT5 - более 150. В этом случае никаких проблем при работе УМЗЧ на больших мощностях возникать не будет. Напряжение отрицательной обратной связи по постоянному и переменному току поступает на базы транзисторов VT6 и VT5 через резисторы R24 и R23. Глубина этой ОС всего около 20 дБ, поэтому динамические искажения в УМЗЧ отсутствуют, но такой ОС вполне достаточно для поддержания режимов выходных транзисторов VT7 и VT8 в необходимых пределах. УМЗЧ достаточно устойчив к ВЧ самовозбуждению. Простота схемы позволяет его быстро размонтировать, поскольку допускается независимое отключение питания (-40 В) драйвера и оконечных транзисторов (2 x 38 В). Полная симметрия усилителя способствует снижению нелинейных искажений и снижению чувствительности к пульсациям питающего напряжения, а также дополнительному подавлению синфазных помех, поступающих на оба входа УМЗЧ. Недостаток усилителя состоит в значительной зависимости нелинейных искажений от h21э примененных транзисторов, но если транзисторы будут иметь h21вых = 70 Вт) равно 1,7 В (эффективное значение).

На транзисторах VT1 и VT2 выполнен источник (генератор тока), питающий дифференциальный каскад (драйвер). Величину этого тока 20...25 мА устанавливают подстроечным резистором R3 (470 Ом). Поскольку от этого тока зависит и ток покоя, то и для термостабилизации последнего транзистор VT1 размещен на теплоотводе одного из транзисторов выходного каскада (VT7 или VT8). Увеличение температуры теплоотвода выходного транзистора соответственно передается размещенному на этом теплоотводе транзистору VT1, при нагревании же последнего происходит снижение отрицательного потенциала на базе транзистора VT2. Это призакрывает транзистор VT2, ток через него уменьшается, что соответствует уменьшению тока покоя выходных транзисторов VT7 и VT8. Таким образом и осуществляется стабилизация тока покоя выходных транзисторов при значительном нагревании их теплоотводов. Несмотря на кажущуюся простоту реализации такой термостабилизации, она достаточно эффективна и никаких проблем в надежности УМЗЧ не было. Очень удобно контролировать токи дифференциальных транзисторов (VT3 и VT4) по падению напряжения на резисторах R7 и R15 или R21 и R26. Подстроечный резистор R11 - балансировочный, служит для установки нулевого потенциала на громкоговорителе (на выходе УМЗЧ).

Схема узла защиты громкоговорителей (рис.7) выполнена по традиционной схеме. Поскольку была выбрана конструкция размещения УМЗЧ в раздельных корпусах, то и Рис.7 - Схема узла защиты громкоговорителей узлы защиты акустических систем у каждого УМЗЧ были свои. Схема защиты АС проста и надежна, этот вариант прошел длительную проверку во многих конструкциях и зарекомендовал себя как хороший и надежный, не раз "спасающий" жизнь дорогостоящих громкоговорителей. Удовлетворительной работой схемы можно считать срабатывание реле К1 при подаче постоянного напряжения 5 В между точками А и Б. Очень просто это проверить с помощью регулируемого блока питания (с изменяемым выходным напряжением). В разных конструкциях применялись различные типы реле, так же изменялось и напряжение блока питания этого узла в пределах 30-50 В (для больших значений этого напряжения следует заменить транзисторы VT1 и VT2 на более высоковольтные экземпляры, например КТ503Е и др.)

Предпочтение для использования в блоке защиты следует отдавать экземплярам реле с наиболее сильноточными группами контактов, с большой площадью поверхностей соприкосновения контактов. А вот реле РЭС-9 или РЭС-10 вообще применять не следует - при больших выходных мощностях УМЗЧ они начинают вносить свои "неповторимые" окраски в усиленный сигнал. Блок защиты АС питают от отдельного выпрямителя, причем необходимо исключить какие-либо гальванические соединения этого блока с УМЗЧ, за исключением лишь датчиков выходных напряжений - точки А и Б подключены к выходам УМЗЧ.

Драйверы обоих каналов можно запитать от одного общего стабилизатора напряжения. При этом оба канала УМЗЧ объединяют в один корпус, а блоки питания собраны в другом корпусе. Естественно, здесь широкое поле выбора для каждого конкретного случая, кому что более подходит в конструктивном исполнении. Схема одного из вариантов стабилизатора для питания драйверов изображена на рис.8. На транзисторе VT1 собран Рис.8 - Стабилизатор для питания драйверов генератор тока, питающий транзистор VT2, необходимое напряжение на выходе стабилизатора устанавливают подстроечным резистором R6. Следует подчеркнуть, что от напряжения этого стабилизатора зависит в первую очередь максимальная выходная мощность УМЗЧ. Но увеличивать напряжение свыше 50 В не рекомендуется из-за возможного выхода из строя транзисторов VT3 и VT4 драйвера. Суммарное напряжение стабилизации стабилитронов должно быть в пределах 27-33 В. Ток через стабилитроны подбирается резистором R4. Резистор R1 ограничительный (по току), предотвращает выход из строя регулирующего транзистора VT2. Последнее вполне вероятно в процессе налаживания, при этом повышение питания драйвера сможет вывести весь УМЗЧ из строя. После налаживания УМЗЧ резистор R1 в стабилизаторе можно замкнуть отрезком провода, а можно этого и не делать, поскольку драйверы потребляют ток всего лишь немногим более 50 мА - влияние резистора R1 на параметры стабилизатора незначительны при малых нагрузочных токах.

При блочной конструкции придется полностью разделять питания обоих УМЗЧ, в том числе и драйверов. Но в любом случае для питания драйвера необходим отдельный выпрямитель со своей обмоткой в трансформаторе. Схема выпрямителя изображена Рис.9 - Схема блока питания усилителя на рис.9. В каждом канале УМЗЧ используется свой трансформатор питания. Такой вариант конструктивного исполнения имеет несколько преимуществ по сравнению с традиционным использованием одного трансформатора. Первое, что удается, так это уменьшить высоту блока в целом, поскольку размеры (высота) сетевого трансформатора значительно снижается при раздетых питающих трансформаторах для каждого УМЗЧ. Далее, легче производить намотку, поскольку диаметр намоточных проводов без ущерба для мощности УМЗЧ можно снижать в 1,4 раза. В связи с этим и сетевые обмотки можно включать противофазно для уменьшения сетевых наводок (это очень помогает компенсировать излучение полей трансформаторов, особенно при размещении в одном корпусе с УМЗЧ других схем усилителей - блоков тембров, регулировки громкости и т.п.). Разделение питающих цепей выходных транзисторов УМЗЧ позволяет увеличить и качество воспроизводимого сигнала, особенно на низких частотах (переходные искажения в каналах на НЧ также снижаются). Для снижения уровня интермодуляционных искажений, вызываемых сетевым питанием, в трансформаторы введены электростатические экраны (один слой провода, намотанного виток к витку).

Во всех вариантах конструкций УМЗЧ использованы тороидальные магнитопроводы для трансформаторов. Намотка производилась вручную с помощью челноков. Можно порекомендовать и упрощенный вариант конструкции блока питания. Для этого используют фабричный ЛАТР (хорошо подходит девятиамперный экземпляр). Первичная обмотка как самая трудная в процессе намотки - уже готовая, необходимо лишь намотать экранную обмотку и все вторичные и трансформатор прекрасно будет работать. Окно у него достаточно просторное для размещения обмоток для обоих каналов УМЗЧ. Кроме того, при этом можно драйверы и усилителифазоинверторы запитать от общих стабилизаторов, "сэкономив" в этом случае две обмотки. Недостаток такого трансформатора - большая высота (кроме, конечно же, и вышеперечисленных обстоятельств).

Теперь о деталях. Устанавливать низкочастотные диоды (вроде Д242 и им подобных) для питания УМЗЧ не следует - увеличатся искажения на высоких частотах (от 10 кГц и выше), кроме того в схемы выпрямителей были дополнительно внесены керамические конденсаторы, позволяющие снизить интермодуляционные искажения, вызываемые изменением проводимости диодов в момент их коммутации. Таким образом снижается влияние сетевого питания на УМЗЧ при его работе на высоких частотах звукового диапазона. Еще лучше обстоит дело с качеством при шунтировании электролитических конденсаторов в сильноточных выпрямителях (выходные каскады УМЗЧ) неэлектролитическими. При этом на слух и первое и второе дополнение схем выпрямителей достаточно отчетливо воспринималось субъективной экспертизой - проверкой на слух работы УМЗЧ, отмечалась более естественная его работа при воспроизведении нескольких ВЧ-составляющих разных частот.

О транзисторах. Заменять транзисторы VT3 и VT4 худшими по частотным свойствам экземплярами (КТ814, например) не стоит, коэффициент гармоник возрастает при этом не менее, чем в два раза (на ВЧ-участке и того более). На слух это очень хорошо заметно, средние частоты воспроизводятся неестественно. С целью упрощения конструкции УМЗЧ в выходном каскаде использованы составные транзисторы серии КТ827А. И хотя они, в принципе, достаточно надежны, их все же необходимо проверять на максимально выдерживаемое (у каждого экземпляра оно свое) напряжение коллектор-эмиттер (имеется в виду прямое напряжение Uкэ max. для закрытого транзистора). Для этого базу транзистора соединяют с эмиттером через резистор 100 Ом и подают, плавно увеличивая, напряжение: на коллектор - плюс, на эмиттер - минус. Экземпляры, обнаруживающие протекание тока (предел амперметра - 100 мкА) для Uкэ = 100 В не пригодны для данной конструкции. Они могут работать, но это не надолго... Экземпляры же без таких "утечек" работают надежно годами, не создавая никаких проблем. Схема стенда для испытаний изображена на рис.10. Естественно, что параметры Рис.10 и 11 - Стенд для испытаний выходных транзисторов и Замена выходных транзисторов серии КТ827 желают быть лучшими, особенно это касается их частотных свойств. Поэтому их заменяли "составными" транзисторами, собранными на КТ940 и КТ872. Необходимо лишь отобрать КТ872 с возможно большим h21э, поскольку у КТ940 недостаточно велик Iк max. Такой эквивалент просто отлично работает во всем звуковом диапазоне, а особенно на высоких частотах. Схема включения двух транзисторов вместо одного составного типа КТ827А изображена на рис.11. Транзистор VT1 можно заменить на КТ815Г, a VT2 - практически любым мощным (Pк > 50 Вт и с Uэ > 30.

Резисторы применены типов С2-13 (0,25 Вт), МЛТ. Конденсаторы типов К73-17, К50-35 и др. Налаживание правильно (без ошибок) собранного УМЗЧ заключается в установке тока покоя транзисторов выходного каскада УМЗЧ - VT7 и VT8 в пределах 40-70 мА. Очень удобно контролировать значение тока покоя по падению напряжения на резисторах R27 и R29. Ток покоя задают резистором R3. Близкое к нулевому постоянное выходное напряжение на выходе УМЗЧ устанавливают балансировочным резистором R11 (добиваются разности потенциалов не более 100 мВ).

Л И Т Е Р А Т У Р А
1. Сухов Н.Е. и др. Техника высококачественного звуковоспроизведения - Киев, "Техника", 1985
2. Сухов Н.Е. УМЗЧ высокой верности. - "Радио", 1989 - №6, №7.
3. Сухов Н.Е. К вопросу об оценке нелинейных искажений УМЗЧ. - "Радио", №5. 1989.
© Радиохобби, №4, 2000 г.

Официальный сайт журнала

ДомойСтатьиЖурналыСхемыСправочникСсылки
AK Laboratory, 2000г.